Porous carbon materials have gained remarkable attention due to their unique structure and versatility. It can be used in energy storage, catalysis, filtration, and adsorption. To harness their full potential, producing ultrafine porous carbon powders with consistent quality is essential. Jet milling stands out for its ability to reduce particle sizes to the micron and submicron scale. The material purity can be maintained. This article aims to explore the nature of porous carbon, clarify why ultrafine grinding is necessary. It also explains why Jet milling is particularly suitable for porous carbpn. Furthermore, it highlights the vital factors to consider when milling porous carbon, discusses the advantages and limitations of Jet milling.
What Is Porous Carbon?

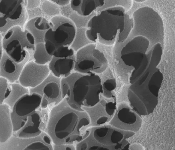
Porous carbon is characterized by an extensively developed internal pore network, encompassing macropores, mesopores, and micropores. This intricate structure results in an exceptionally large specific surface area and confers unique physical and chemical properties. Its versatility allows it to be widely applied in energy storage devices like batteries and supercapacitors. Rapid ion diffusion and efficient electron transport are paramount in them. Additionally, porous carbon serves as a catalyst support owing to its chemical inertness and high surface area. In environmental fields, it is utilized for purification, adsorption, and filtration tasks because of its excellent adsorption capabilities. Moreover, its lightweight nature makes it desirable in composite materials and filtration media. Porosity helps reduce density without significantly compromising mechanical strength.
However, the presence of such a porous structure increases the complexity of milling this material. Preserving these pores while achieving the desired particle size is challenging but critical to maintaining performance.
Why Does Porous Carbon Need Ultrafine Grinding?
Ultrafine grinding of porous carbon powders is necessary for several interrelated reasons. Firstly, reducing particles to smaller sizes while preserving their internal pore structure maximizes the accessible surface area. It in turn enhances catalytic activity, adsorption capacity, and electrochemical performance. Secondly, achieving a uniform and fine particle size distribution improves dispersion in composite matrices or electrolyte systems, providing consistency in mechanical, electrical, or chemical behavior. Moreover, controlling particle size allows tailoring of pore accessibility and mass transport properties, critical for applications such as fast charge/discharge cycles in energy storage or selective adsorption in purification systems. Finally, producing ultrafine powders reduces agglomeration, resulting in improved batch-to-batch uniformity, which is essential for scalable industrial manufacturing.
Despite these benefits, the delicate porous architecture of this material makes it susceptible to collapse or damage if milling is too aggressive. Hence, gentle yet effective milling methodologies are paramount.

Why Is Jet milling Used for Porous Carbon?
Jet milling stands out as an optimal ultrafine grinding method for porous carbon mainly due to its unique operational characteristics that align well with the material’s fragile nature. Its mechanism involves employing high-velocity compressed gases to accelerate particles so they collide with one another within a fluidized environment. This particle-on-particle interaction circumvents direct mechanical contact with grinding parts. It effectively reduces contamination and mechanical stresses that could otherwise damage the pores.
Furthermore, Jet mills operate at relatively low temperatures since the adiabatic expansion of compressed gas creates a cooling effect. This temperature control typically keeps the milling chamber below 60°C, mitigating risks of oxidation or thermal degradation —an essential consideration for carbon materials known to be thermally sensitive.
The technology also allows precise control over particle size through adjustable parameters such as gas pressure, feed rate, and classifier speed (if equipped). This adjustability ensures the production of consistently ultrafine powders with narrow particle size distributions tailored to advanced application demands. Moreover, operating within sealed, closed-loop systems reduces exposure to atmospheric moisture or contaminants, preserving the integrity of porous carbon powders prone to adsorbing water vapor.
Adaptability to fragile and friable materials is another reason Jet milling excels here, as the gentle particle collisions maintain pore architecture while enabling particle size reduction. Lastly, its scalability and capability for continuous operation range from laboratory scale batches to industrial volumes, offering manufacturers flexibility and high efficiency.

Important Considerations When Using Jet milling for Porous Carbon
To achieve optimal milling results and preserve material quality, several critical factors must be carefully managed during Jet milling of porous carbon.
First, optimizing milling parameters demands attention. Gas pressure directly influences particle velocity. Higher pressures generally yield finer particles. However, excessive pressure can lead to over-grinding or particle fracture, compromising pore structure integrity. Similarly, the feed rate requires balancing to maintain consistent material throughput and uniform grinding. Feeding too much material reduces residence time, leading to coarser, uneven particles, while feeding too little lessens throughput and risks over-milling. If the Jet mill includes a classifier, adjusting the classifier wheel speed fine-tunes the size cut-off, enabling precise control of particle size distribution and avoiding undesired fines or coarse fractions.
Second, preserving pore integrity is vital. Since porous carbon’s three-dimensional structure is delicate, operators must avoid intense grinding forces or prolonged residence times that could collapse pores. Limiting excessive mechanical impact and maintaining moderate milling intensity helps safeguard the material’s internal architecture. Additionally, preventing temperature spikes during milling avoids alterations to surface chemistry or degradation of pore walls.
Third, contamination control is essential for applications where purity is critical. Equipment parts in contact with the product should have wear-resistant, inert linings—such as ceramic or silicon carbide coatings—to prevent metal contamination. Thorough cleaning between batches also reduces cross-contamination risks. Moreover, the compressed air or gas used should be free of oil, moisture, or particulates to preserve product quality.
Fourth, moisture control is a key concern because porous carbon tends to be hygroscopic. Using dry, oil-free compressed air and operating in sealed systems minimizes moisture uptake during milling. Proper post-milling storage in controlled environments further ensures product stability.
Fifth, regular equipment maintenance, especially of wear components like nozzles and liners, is critical to sustaining milling efficiency and product consistency. Routine particle size analysis can provide feedback for process adjustments to maintain desired specifications.
Lastly, safety precautions should not be overlooked. Fine porous carbon powders may pose dust explosion hazards. Effective dust collection, ventilation, and explosion mitigation systems must be in place to protect workers and facilities.

Advantages and Disadvantages of Jet milling for Porous Carbon
Jet milling offers significant advantages, including the production of high-purity powders due to the lack of mechanical contact and hence minimal contamination. Its low heat generation preserves the physical and chemical properties of porous carbon. The precise particle size control, continuous operation capability, and scalability facilitate consistent production of narrowly distributed ultrafine powders. Moreover, closed systems enhance environmental and product safety, while relatively simple mechanical design reduces maintenance complexity.
On the downside, Jet milling can be more energy-intensive compared with some mechanical mils, especially when targeting extremely fine particles. The wear of high-velocity nozzles and internal linings results in periodic replacement costs. Feed size restrictions often require upstream pre-processing such as crushing or screening to ensure efficient milling. Without careful parameter control, over-grinding and subsequent damage to pore structures may occur. Finally, the capital investment for high-quality Jet milling systems and associated air compression equipment is relatively high.
Effects Achieved Using EPIC’s Jet mill for Porous Carbon Milling
EPIC Powder Machinery’s advanced Jet mills incorporate design innovations specifically tailored to ultrafine milling of porous carbon. Our systems offer precise parameter adjustability, enabling operators to optimize gas pressure, feed rate, and classifier settings to balance grinding intensity with pore structure preservation. We utilize high-durability ceramic and silicon carbide coatings for wear parts, effectively extending service life while maintaining product purity and minimizing downtime. Efficient cooling through gas expansion ensures milling temperatures remain low, protecting the fragile porous architecture and surface chemistry.
Our Jet mills operate in closed-loop configurations with integrated dust collection systems, significantly reducing contamination and environmental emissions. This allows consistent production of ultrafine porous carbon powders achieving D50 values in the low micron to submicron range with narrow, reproducible particle size distributions. Additionally, the robust yet easily maintainable design supports continuous, scalable operations—from pilot to full industrial scale — helping producers improve powder performance while optimizing operational efficiency.
Conclusion
Porous carbon requires specialized ultrafine grinding approaches that delicately balance thorough particle size reduction with the preservation of vital pore structures. Jet milling perfectly fulfills these needs by combining fluid energy grinding, precise particle size control, low thermal load, minimal contamination, and scalable continuous operation. Operators who attentively optimize milling conditions, maintain equipment integrity. It also enforces contamination and moisture controls will maximize the advantageous properties of ultrafine porous carbon powders for advanced technological applications.
Qingdao EPIC Powder Machinery Co., Ltd. is proud to deliver industry-leading Jet milling solutions engineered to these exacting specifications. Backed by deep technical expertise and reliable customer support, our equipment empowers manufacturers to realize superior porous carbon products with consistent quality and efficiency. For expert consultation or inquiries about EPIC’s Jet milling solutions for porous carbon, please contact our professional team. Together, we can drive your production toward excellence with cutting-edge technology and trusted service.